返回 产品展示
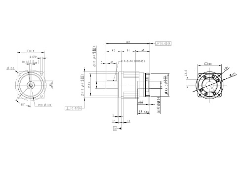
KMI Drive行星减速机HD-110
KMI Drive-HD系列-伺服行星减速机 的优势:
1、可以与任何接口尺寸的电机连接,只要客户提供正确的电机接口尺寸,保证提供的减速机可以简单、方便的与马达直接连接。
2、产品系列齐全,可以满足不同客户、不同行业的需求。如HD/HDR系列、HF/HFR系列适用高端行业,HD/HER系列适用中端行业。客户可以根据自己的实际情况,选择适合自己的产品。
3、产品输出的连接方式齐全,如HB/HBR系列、HE/HER系列、HM系列;HD/HDR系列为法兰盘式输出,可以承受较大的弯矩;HL/HLR系列为同步带式输出,可以承受较大的径向力,HT系列的输出方式有轴输出,中空键槽输出,中空无键槽输出。客户可以根据自己设备应用端的受力特点,选择合适的输出结构。
KMI Drive-HD系列-伺服行星减速机 的特点:
1、重负何高精度:必须对负载做移动并要求精密定位时便有此需要。一般像是航空、卫星、医疗、军事科技、晶圆设备、机器人等自动化设备。他们的共同特征在于将负载移动所需的扭矩往往远超过伺服电机本身的扭矩容量。而透过减速机来做伺服电机输出扭矩的提升,便可有效解决这个问题。
2、提升扭矩:输出扭矩提升的方式,可能采用直接增大伺服电机的输出扭矩方式,但这种方式不但必须使用昂贵大功率的伺服电机,马达还要有更强壮的结构,扭矩的增大正比于控制电流的增大,此时采用比较大的驱动器,功率电子组件和相关机电设备规格的增大,又会使控制系统的成本大幅增加。
3、增加使用效率:理论上,提升伺服电机的功率也是输出扭矩提升的方式,可藉由增加伺服马达两倍的速度来使得伺服系统的功率密度提升两倍,而且不需要增加伺服驱动器等控制系统组件的规格,也就是不需要增加额外的成本。而这就需透过行星减速机的搭配来达到提升扭矩的目的了。所以说,高功率伺服电机的发展是必须搭配应用减速机,而非将其省略不用。
4、提高使用性能:据了解,负载惯量的不当匹配,是伺服控制不稳定的最大原因之一。对于大的负载惯量,可以利用减速比的平方反比来调配最佳的等效负载惯量,以获得最佳的控制响应。所以从这个角度来看,行星减速机为伺服应用的控制响应的最佳匹配。
5、增加设备使用寿命:行星减速机还可有效解决电机低速控制特性的衰减。由于伺服电机的控制性会由于速度的降低,导致产生某程度上的衰减,尤其在对于低转速下的讯号撷取和电流控制的稳定性上,特别容易看出。因此,采用减速机能使电机具有较高转速。
6、降低设备成本:从成本观点,假设0.4KW的AC伺服电机搭配驱动器,需耗费一单位设备成本,以5KW的AC伺服电机搭配驱动器必须耗费15单位成本,但是若采用0.4KW伺服电机与驱动器,搭配一组减速机就能够达到前述耗费15个单位成本才能完成的事,在操作成本上节省50%以上。



|
服务热线:0769-87029725 东莞市易合传动科技有限公司 版权所有© Copyright |