
返回 产品展示
中空旋转平台-KMI Drive-HRG130
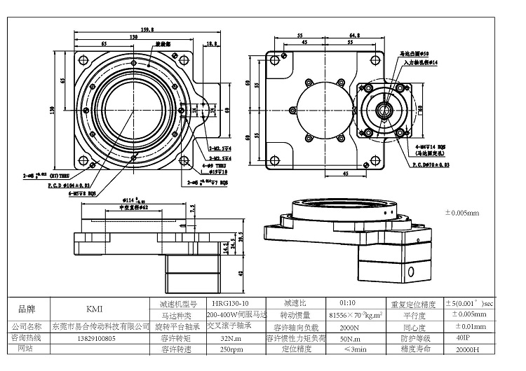
KMI Drive中空旋转平台HRG130系列特点:
1.采用交叉滚子轴承,实现大功率、高刚性
2.允许转矩32N.m,满足小体积大惯量负载要求
3.允许转速可达300RPM
4.重复±5arcsec高精度定位
5.直接连接提高可靠性
6.中空大孔径实现简洁配线配管
7.原点传感器套件可选
高性能、低成本
KMI Drive中空旋转平台HRG130系列参数:
规格 | 单位 | HRG130-10 |
所配电机型号 | 各品牌200-400W伺服马达 | |
使用轴承类型 | 交叉滚子轴承 | |
中空孔径 | mm | 62 |
最大允许转矩 | ||
最大允许转速 | rpm | 300 |
减速比 | 1:10 | |
重复定位精度 | arcsec | ±5(±0.001°) |
角度传动精度 | arcmin | 3(0.05°) |
齿隙 | arcmin | 无齿隙 |
容许惯性力矩 | N.m | 50 |
容许轴向负载 | N | 2000 |
平台平行度 | mm | ±0.005 |
平台同心度 | mm | ±0.01 |
驱动器类型 | 可编程总线控制驱动器或脉冲序列输入 | |
保护等级 | IP40 |


服务热线:0769-87029725 东莞市易合传动科技有限公司 版权所有© Copyright |